Skip to Content
Open Menu
Close Menu
HOME
SHOP
NEW PARTS
S10LIFE PRODUCTS
USED PARTS
VIDEOS
VIDEOS
HOW TO VIDEOS
SAVE THE DIMES
FORUM
DISCUSSION
S-SERIES INFO
BROCHURES
OWNERS MANUALS
WIRING DIAGRAMS 1982-1993
WIRING DIAGRAMS 1993-2003
MEMBER RIDES
CONTACT
Login
Account
0
0
HOME
SHOP
NEW PARTS
S10LIFE PRODUCTS
USED PARTS
VIDEOS
VIDEOS
HOW TO VIDEOS
SAVE THE DIMES
FORUM
DISCUSSION
S-SERIES INFO
BROCHURES
OWNERS MANUALS
WIRING DIAGRAMS 1982-1993
WIRING DIAGRAMS 1993-2003
MEMBER RIDES
CONTACT
Login
Account
0
0
Open Menu
Close Menu
HOME
Folder:
SHOP
Back
NEW PARTS
S10LIFE PRODUCTS
USED PARTS
Folder:
VIDEOS
Back
VIDEOS
HOW TO VIDEOS
SAVE THE DIMES
FORUM
DISCUSSION
Folder:
S-SERIES INFO
Back
BROCHURES
OWNERS MANUALS
WIRING DIAGRAMS 1982-1993
WIRING DIAGRAMS 1993-2003
MEMBER RIDES
CONTACT
Login
Account
Previous
Previous
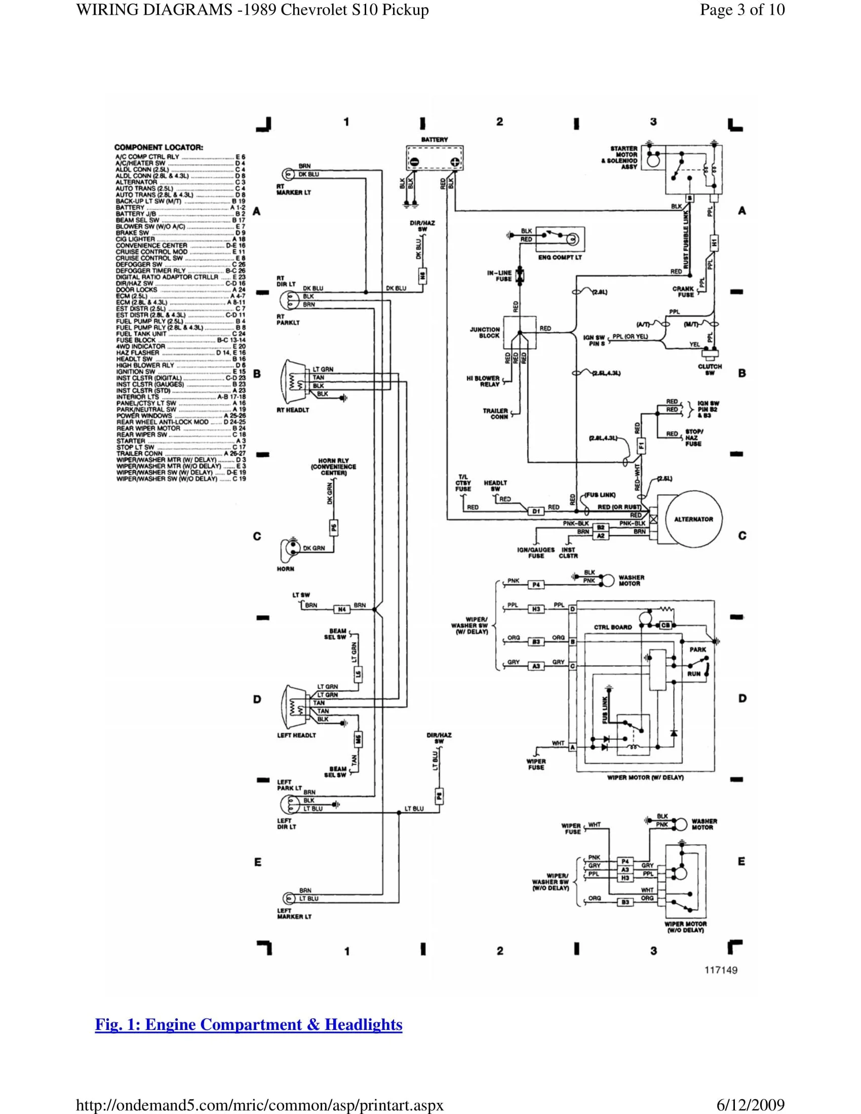
1990 Chevrolet S-10 Pickup Wiring Diagrams
Next
Next
1988 Chevrolet S-10 Pickup Wiring Diagrams